Valencia
638.40.385.xxx-AA
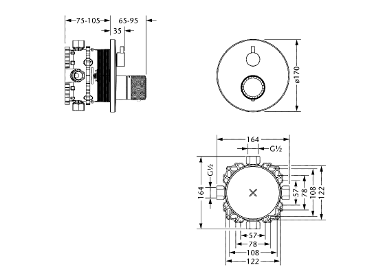
Термостат для душа с запорно-переключающим вентилем ½“
описание
- внутристенный монтаж
- внешняя и функциональная часть
- переключающий вентиль на два потребителя
- со встроенным регулятором расхода воды
- без предохранительным устройством
- пропускная способность 20,4 л/мин при 3 барах
Для этого необходимо
Отделки
Модели ручек
Размер (mm)


